
0755-21631136
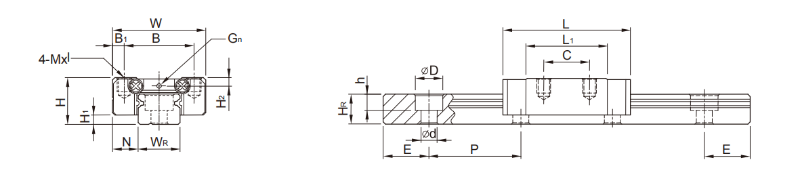
我們都知道,MGN7H是上銀微型滑塊MGN7C的加長版,總長度比MGN7C長了8.3mm,能承受更大的負荷,今天,雅威達就帶大家了解一下HIWIN上銀微型滑塊MGN7H尺寸表,讓您的直線導軌選型有個參考。
從上圖的MGN7H上銀微型滑塊尺寸表,我們可以看到,這兩個規格的直線導軌,除了總長度,以及螺絲孔安裝尺寸,其余的尺寸,都是一樣的,在精度允許的范圍內,導軌可以任意互換。具體的尺寸參數,朋友們可以參考上圖,或者聯系我們雅威達,我們免費提供上銀微型滑塊的選型資料。
雅威達傳動,12年專注上銀微型直線導軌傳動與控制,15年直線導軌選型與應用經驗的工程師提供技術支持,服務各種自動化設備,數控加工設備,醫療器械等直線導軌傳動系統。詳情可致電13751136246或訪問網址:m.sethsales.com進行咨詢,雅威達將會為您解決更多直線導軌選型及應用難題。 噴塑流水線設備 https://www.chinaxks.com/products_list_21_1.html
咨詢熱線
0755-21631136